
特點:該組件主要是由6只晶閘管組成,用兩只晶閘管反并聯,作為一個單相交流開關,再將這樣三個交流開關組合在一起,用于三相異步電動機的軟起動。由于電動機的起動時間較短,軟起動之后電流不再流經軟起動組件,因此晶閘管沒有另配散熱器,僅靠導電銅排散熱。
用途:用于煤礦、礦山等場合的三相異步電動機的軟起動。本公司可根據用戶三相異步電動機的電壓電流,為用戶提供適合的軟起動組件。具體的安裝尺寸,可根據用戶要求重新設計。
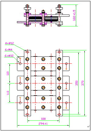
主要技術參數:該組件的通流能力及斷態耐壓,決定于所選用的晶閘管。例如:下圖所示每相由兩只KP800-40晶閘管組成的三相軟起動組件,技術參數為:
1. 最大導通電流(有效值) IT(ms)=1777 A
2. 斷態重復峰值電壓 VDRM≥4000 V
3. 斷態重復峰值電流 IDRM≤70 mA
4. 通態峰值電壓 VTM≤2.60 V (ITM=2400 A)
5. 門極觸發電流 IGT=40~200 mA
(兩只晶閘管IGT 之差≤20 mA)
6. 門極觸發電壓 VGT=1.0~2.6 V